Church Of Jesus

Church Of Jesus
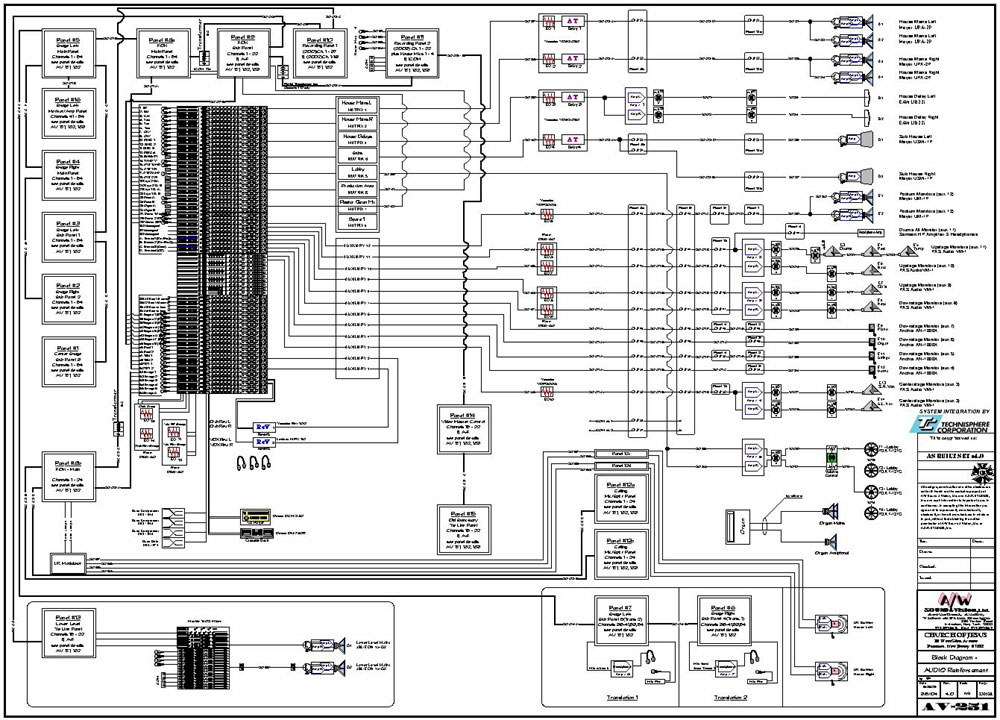
Audio Block Diagram
Audio/Video & Communication Systems - Consulting, Design and Engineering